State-of-the-Art Filter Monitoring
Over the last decade, the filtration industry has made tremendous strides in technologies. With advances in nonwoven-fabric manufacturing and pleating methods and developments such as nanofiber layers and coatings, filters have become more efficient, reliable, and compact. Meanwhile, demands on the filtration industry are changing. No longer are filter efficiency and dust-holding capacity the sole concerns; with soaring energy prices and increasing awareness of sustainability, filter media are expected to contribute to lower energy consumption.
Potential and Limitations of Air Filtration
In 2016, the World Health Organization (WHO) published a report on ambient air pollution,1 stating 90 percent of the world’s population is exposed to levels exceeding WHO limits. Air-filtration technology will play a crucial role in reducing that percentage.
A filter is only as good as its condition. Clogged filters can lead to an undersupply of air, substantial loss of energy efficiency, fan noise, reduced filter performance, and, eventually, damage to the filter itself. Thus, it is imperative to monitor the condition of filters and replace them as soon as necessary.
Condition-Based Maintenance
For the most part, filters are changed according to fixed schedules. In most instances, they are changed too late, which results in reduced safety, energy efficiency, and performance.
The last few years have seen a shift from preventive to condition-based maintenance. Sensors observe the state of components, and maintenance is performed only upon indications of decreasing performance or impending failure. This has helped the filtration industry introduce and commercialize new filter-monitoring technologies.
Technologies
As a filter becomes clogged, its resistance to airflow increases. In a system in which airflow is kept constant, this leads to a rise in differential pressure across the filter bank. Because fans often propel less air as a filter becomes impeded, airflow changes as a filter progresses from a clean state to an obstructed one.
To determine the level of filter clogging, various sensor technologies are in use:
- Traditional differential-pressure sensors, which measure the deflection of a diaphragm. Differential-pressure sensors work best when the pressure drop across a filter is high, lacking sensitivity for very small pressure differences. Membrane fatigue can cause drift, which is particularly undesirable in filter monitoring because sensor drift is difficult to distinguish from slow filter clogging in most cases.
- Pressure switches, which indicate when a certain predefined pressure value is exceeded. Pressure switches do not measure actual pressure difference, making trend analysis impossible.
- Microthermal differential-pressure sensors, which permit a small amount of airflow, which is measured to determine pressure difference. With outstanding long-term stability and accuracy around zero flow, they outclass other technologies for most applications and are particularly suitable for filters with low differential pressures. Because of the airflow they allow, they cannot be used across a filter bank when safety-critical sterilization is achieved with filtration. Dust-induced failures can be prevented with smart inlet design, sensible positioning of the sensor, a smooth sensor surface, and detection algorithms.
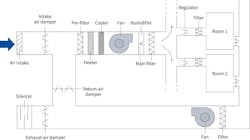
- Flow sensors, which measure airflow. There are cases (Figure 1) in which knowledge of airflow provides higher-resolution information about the state of a filter than does differential pressure. Because airflow sensors usually are placed behind filters, precise microthermal technology can be used without the need for additional measures against dust. These often are the same sensor models used to measure differential pressure across a filter bank, but are placed in a bypass setup instead.
The most accurate filter monitoring is achieved when both pressure drop and flow are measured to determine changes in pressure across a filter in relation to airflow.
A few other methods—namely, optical systems, through which the discoloration of a filter is measured, and dust-load sensors, which measure dust concentration based on the triboelectric effect—are in use. These are complex and costly and, thus, are not suitable for high-volume applications.
Airflow Circuit
Let’s take a more detailed look at systems in which filtration is used. Basically, all have a driving source for airflow (a fan, an engine, human breath), a flow restriction (or impedance) given by a filter, and another flow restriction given by the rest of the system. This compares nicely to an electrical circuit with a (non-ideal) voltage source and two electrical resistors (Figure 2).
In this model, we can compare three situations:
1. If the impedance of the filter is high and that of the rest of the system is low and constant, a change in filter resistance will lead predominantly to a change in airflow. In this instance, it might be sufficient to monitor the airflow, which can be achieved most simply behind the filter, where the air is clean.
2. If the impedance of the filter is low and that of the system is comparatively high but stable, a change in filter resistance will lead mainly to a change in differential pressure across the filter bank. In this case, it might be sufficient to measure the pressure difference.
For these first two situations, fan speed must be either constant or known so the airflow or differential pressure can be assessed in relation to the fan speed.
3. If the impedance of the system is variable or the speed of the blower is variable and unknown, the airflow and differential pressure must be known to gain enough information to evaluate filter status (Table 1).
Complex Systems
We can draw different conclusions from this analysis:
- There is no one-size-fits-all solution when it comes to monitoring filtration. Different applications and system complexities ask for different monitoring setups.
- A pressure switch might be sufficient for very simple systems, but fail as soon as an application gets more complicated and uses variable fan speeds or has a low or variable resistance to airflow.
- Measurement of differential pressure over a filter or the flow of air behind a filter and the ability to relate this measurement to changing fan speed are needed for accurate filter monitoring. The most accurate statement about the status of a filter, however, can be made when both—actual airflow and differential pressure—are known. In complex systems with varying loads and multiple filters, this is the only solution for accurate filter monitoring (Figure 3).
A benefit of measuring both differential pressure and airflow through a system is that no information from the blower (e.g., revolutions per minute, current, power) is required to determine filter load. On the contrary, information from a flow sensor can be used to compensate for deviations in a blower’s performance. Detailed readings from two sensors also creates the possibility of additional functionality. By logging data over time, trends can be assessed and an estimated date for filter exchange determined. Detailed and accurate measurements and time series enable the identification of malfunctions and other system failures (Figure 4). In many cases, sensor readings also can be used to improve control and increase the functionality of an entire system. Flow data in particular often have benefits that go beyond filter monitoring.
Pitot-Tube Configuration
In an application in which the velocity of air is high enough, differential pressure can be measured between a normal tap upstream of a filter and a pitot tube downstream of the filter. The pressure at the pitot-tube port is given by velocity pressure plus static pressure and, thus, is higher than the pressure at the normal port upstream of the filter. This creates an inverted differential-pressure reading, with the higher pressure at the pitot port (Figure 5). A clogged filter will lead to a reduction of the measured pressure difference.
Sensor Solutions
Following are key requirements for differential-pressure and flow sensors for state-of-the-art filter monitoring:
- Excellent long-term stability, ensuring filters are changed when they need to be, rather than because of sensor drift.
- For systems with variable fan speeds, high dynamic range.
- High accuracy at low differential pressures and flows, as high-tech filters often have a very small pressure drop.
- The ability for temperature and pressure compensation, as filter performance and differential pressure across a filter bank can depend on air temperature and ambient pressure.
- Data-acquisition capability, as it can simplify a trend analysis by a system’s microcontroller.
All of these requirements are met by microthermal differential-pressure sensors. With these sensors, the same model can be used for differential-pressure measurement over a filter bank as well as flow measurement behind it, using a bypass setup to measure flow. The sensors are temperature-compensated and can be programmed to conduct filter- or system-specific temperature compensation.
Microthermal sensors measure mass flow, a parameter that should be controlled in most applications, by default. In air-conditioning systems, gas heaters, air-induction systems, and much more, it is critical to know the amount of air reaching the application. The measurements made by an advanced filter-monitoring system can be used for the application’s control system (or vice versa). Using sensors based on mass-flow measurements supersedes the need for ambient-pressure compensation, as mass flow does not change with varying ambient pressure (unlike volume flow).
Conclusion
Precise filter monitoring adds value to many applications in HVAC. The determination of the correct moment for a filter change helps to protect occupants and equipment by ensuring clean air and leads to lower cost and more energy-efficient and sustainable operation. One solution does not meet all demands, but measuring the flow of air, rather than differential pressure, often is a wise choice, though in complex systems, both readings are required. For many filter-monitoring applications, microthermal flow and differential-pressure sensing is the favorable sensor technology and can provide added value because of its precision and long-term stability.
Reference
1) WHO. (2016). Ambient air pollution: A global assessment of exposure and burden of disease. Retrieved from http://apps.who.int/iris/bitstream/10665/250141/1/9789241511353-eng.pdf
As a senior product manager for Sensirion, Andries Bosma is responsible for strategic product-portfolio planning, as well as life-cycle management for differential-pressure and gas-flow sensors used in diverse applications worldwide. He has a broad range of experience in international project management, digital design, and physical design. As a key account manager responsible for the HVAC and industrial market for Sensirion, Manuel Eckstein supports customers worldwide, helping them create value for all kinds of applications. He draws on a broad range of experience in sensor technology and various applications that require electronic monitoring, having previously worked in the research-and-development department of a large engineering company in Germany.
About the Author
ANDRIES BOSMA
Senior Product Manager
As a senior product manager for Sensirion, Andries Bosma is responsible for strategic product-portfolio planning, as well as life-cycle management for differential-pressure and gas-flow sensors used in diverse applications worldwide. He has a broad range of experience in international project management, digital design, and physical design.
MANUEL ECKSTEIN
Key Account Manager
As a key account manager responsible for the HVAC and industrial market for Sensirion, Manuel Eckstein supports customers worldwide, helping them create value for all kinds of applications. He draws on a broad range of experience in sensor technology and various applications that require electronic monitoring, having previously worked in the research-and-development department of a large engineering company in Germany.






