Low-NOx Burners for Industrial Boilers
Operators of industrial-size centralized hot-water- and steam-generating facilities on college, hospital, and government campuses are under increasing pressure to restrict nitrogen-oxide (NOx) emissions, as state environmental agencies enforce federal law intended to decrease respiratory-related health concerns.
Limiting NOx Formation
There are three major types of combustion-related NOx: thermal, fuel bound, and prompt.
Thermal. Thermal NOx is created by high flame temperature in the presence of oxygen. The key to limiting thermal NOx is to reduce peak flame temperature and restrict oxygen availability and exposure at peak temperature. There are two main ways burner manufacturers have accomplished this without post-combustion control: steam injection and flue-gas recirculation (FGR).
Steam injection—injecting steam into a flame—works because steam temperature is considerably lower than flame temperature—in the case of a boiler operating at 300 psig, 421°F vs. 2,400°F to 3,400°F. Also, steam is pure water, which is not free oxygen.
FGR is the process by which exhaust gas is introduced into the combustion-air stream prior to a burner. Flue gas also is relatively cool (300°F to 550°F, depending on the design of the boiler and whether there is a feedwater economizer) with respect to flame temperature, and flue gas has little oxygen from the combustion process.
FGR is more prevalent than steam injection simply because of economics—generating steam for injection is more expensive.
Fuel bound. Fuel-bound NOx is inherent in fuel and cannot be reduced, except via post-combustion processes. Compared with other fuels, such as oil, the fuel-bound nitrogen in natural gas is low and considered insignificant.
Prompt. Prompt NOx “occurs through early reactions of nitrogen molecules in the combustion air and hydrogen radicals from the fuel.”¹ Recent “ultralow-NOx” designs have limited the generation of prompt NOx by minimizing the formation of substoichiometric regions in the flame.
More on FGR
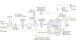
Early designs used a fan other than the combustion-air fan to move flue gas, a method called “forced” FGR. The current standard burner design incorporates “induced” FGR, whereby the relatively negative pressure near the inlet of the combustion-air fan pulls flue gas into a “mix box,” where the flue gas and combustion air combine on the way to the inlet of the combustion-air fan (Figure 1). There is no separate FGR fan—the combustion-air fan does all of the work. There may be a non-modulating damper between the fresh-air intake and mix box to increase velocity in the fresh-air-inlet duct and create a more negative pressure to fight the stack effect pulling the flue gas to atmosphere.
Burners that require FGR use more motor horsepower because more gas must be moved in the burner. Also, there is a slightly higher static requirement for the fan because more gas is going through the boiler. This decreases the efficiency of the boiler.
FGR usually pulls flue gas downstream of the feedwater economizer, as opposed to upstream, because, downstream, flue gas is cooler, denser, and, thus, less of a horsepower draw on the fan than it is upstream. If the stack is approximately 50 ft or higher, and there is a damper to control boiler draft outlet pressure, FGR is pulled from upstream of the draft damper to limit the opposing pressure from which the fan needs to pull.
Some burner manufacturers are beginning to market internal FGR, whereby flue gas within the furnace recirculates back into the flame. This approach reduces volume through the fan and, thus, lowers horsepower requirements. Additionally, it can increase overall efficiency.
How Low Can You Go?
With a 100-million-Btuh-fuel-input gas boiler, the average emission factor for an uncontrolled burner is roughly 85 ppm; for a low-NOx burner, it is 42 ppm, and for a low-NOx burner with FGR, it is 26 ppm.1 Keep in mind these are average emissions; they are not regulation requirements and are not to be used as a basis for an air-permit application. You need to verify predicted performance with the burner manufacturer and state it in your specifications.
In a standard D-style industrial boiler firing natural gas, a standard burner without FGR can achieve 85 to 100 ppm, while a burner with FGR with staged air/fuel can achieve 30 to 50 ppm. FGR rates can be 5 to 15 percent of total boiler flue-gas output, depending on a host of variables; most operators will not sense a difference in burner performance or interaction with controls. Initial designs used either a gas ring alone or a gas ring with spuds or pokers. Recent designs for 30 ppm to 9 ppm use these combinations, but also use a center-fired gun with separately modulated control valves to help with flame staging and spread and to keep the flame stable at lower loads. These designs require less FGR than previous designs for the same emissions rates and can be evaluated as an energy-saving measure for existing installations of low-NOx burners. In fact, some manufacturers state they can achieve 30 ppm or less without FGR, a significant development in the advancement of burner technology.
When approaching 9 ppm, prompt NOx is addressed, in addition to thermal NOx. FGR rates increase to 20 to 30 percent, and control feedback is required to maintain NOx emissions. There is more hardware in the burner for staging fuel and air. Some burner designs can achieve about 5 ppm to 6 ppm. These designs limit prompt-NOx formation more aggressively and focus even more on air and fuel mixing and internal and external circulation zones. It is important to note that circumstances must be right, and before these levels are pursued, an engineering evaluation is required.
While the focus of this article is on reducing NOx formation at the burner, there always is post-combustion control technology, such as selective catalytic reduction (SCR), which can reduce NOx emissions to 1 ppm. In SCR, ammonia is introduced into the flue-gas stream upstream of a catalyst, where it transforms NOx into nitrogen and water. Compared with the technologies described above, SCR typically is not cost-effective for industrial boilers, but is used in extreme cases, when limits are tight.
What Does It Mean?
Now that you know how low you can go, what does it mean to your plant? Many factors can be affected, based on how much FGR you need and the design of the burner and boiler. All of these factors need to be considered.
To ensure a consistent radiant-temperature heat sink around the flame, low-NOx-burner manufacturers generally mandate no refractory tile on the floor, and some request limited or no refractory on the target (rear) and even burner end walls. Because of the air staging, more length may be needed in the furnace to ensure the flame does not impinge on the rear wall. To handle the amount of flue gas coming into the burner and related staging hardware, the depth of the windbox may be extended by a few feet over that of a standard burner. All of this means a physically longer boiler.
The staging of air into the furnace may require a higher static pressure, which may require additional fan horsepower. Also, the staging of fuel into the air may require a higher natural-gas pressure to satisfy turndown requirements. Natural-gas pressure at the inlet of the regulating pressure valve can be 10 to 30 psig.
Depending on NOx-emissions requirements, FGR flow may or may not be modulated as part of the control process. Burners with lower emission requirements generally have modulating dampers, with the control signal provided via the measurement of flow through the FGR duct or by use of an oxygen analyzer in the windbox.
Note that for burners 30 ppm and higher, controls can be relatively simple. For burners 9 ppm and lower, having the burner manufacturer provide the logic and controller generally is recommended, if not required. Fully metered, cross-limited controls are the norm for these systems, and airflow must be measured upstream of the mix box—avoid using differential draft pressure across the boiler. Maintaining instrumentation is more important with lower-NOx burners, so a more aggressive service contract or competent in-house instrument technician is required. Also, you want to specify that the burner manufacturer hire the startup personnel and ensure that enough time—generally, at least a week per burner—is allowed. If more than one unit is to be installed and started up at a time, still allow for at least a week because no two burners or startups are alike. Consider the availability of experienced burner technicians in the event an urgent issue arises.
Because of the sensitivity of air and fuel mixing and staging for burners 9 ppm and lower, more time is needed for stabilization when changing load. If there are major swings in campus demand, consider base loading boilers (if possible). Otherwise, expect a little more offset and lag in header-pressure control.
With FGR in the flue-gas stream, the temperature through the combustion-air fan, through the duct, and into the windbox is elevated. Burners designed for 30 ppm and higher generally have combined temperatures low enough that insulation is not required for personnel protection. At 9 ppm and lower, insulation becomes a consideration.
Generally, burners 9 ppm and lower must have fresh air above a certain temperature to prevent water vapor from condensing out of the FGR; otherwise, liquid water will fill up the windbox. A steam-coil air preheater is required to heat fresh air during colder months. An air preheater, however, adds air pressure drop and maintenance requirements. An outage of the air preheater means the burner cannot be fired when it is needed most.
How Low Do You Need to Go?
Knowing the extent to which you need to reduce NOx, which is dependent on your geographic location, the size of your equipment, and how much fuel you burn, is important. Seeking professional help from firms experienced with your state’s laws as well as federal requirements is highly recommended.
A new boiler’s NOx emissions may be limited to a 12-month rolling peak. When the primary demand is for heating, fuel-input requirements relate heavily to ambient temperature. Relative demand is extremely low during summer, almost immediately dropping the annual potential fuel fired to 75 percent or lower.
Note that emissions guarantees from burner manufacturers generally are in the 4-to-1 turndown range, although a burner may be able to operate at 8-to-1 or even 10-to-1. Make sure the state agency writing the permit understands the operational limits of your burner. You do not want to get stuck operating a burner with a turndown capability of only 4-to-1.
One last thing regarding air-permit applications: Be careful specifying emissions limits based on literature from a burner manufacturer. Leave a cushion. If a manufacturer is guaranteeing 9 ppm, place that in the boiler/burner-purchase specifications, but try to have the air-permit restrictions based on something a little higher, such as 11 ppm. This will give plant operators some breathing room, allowing them to continue operating while planning for tuning if parameters start to get loose.
Retrofitting
Whether you have a burner that fires natural gas and you need to reduce NOx emissions or a burner that fires oil and you need to add gas firing, the best place to start is the original burner manufacturer, who is best able to advise you as to your options. Other manufacturers may have to invest some level of engineering.
Retrofits of coal-fired boilers must be evaluated on a case-by-case basis. Most furnaces are relatively tall, but skinny compared with D-style boilers. Multiple burners usually are required to maintain similar heat output. Burners can be placed on the sides in configurations that allow the coal grate, which can be packed down with sand and refractory, to stay. Burners also can be located at the bottom pointing upward. In some cases, overfire air fans can be re-used to reduce NOx emissions. Thirty ppm for coal retrofits is achievable. Going lower is possible for some configurations.
Reference
1) EPA. (1995). Compilation of air pollutant emission factors, volume i: Stationary point and area sources. Research Triangle Park, NC: U.S. Environmental Protection Agency.
Vince Basilio, PE, CEM, is an associate with RMF Engineering Inc. For nearly 20 years, he has been the lead design engineer for dozens of industrial and institutional steam- and cogeneration-plant renovations and expansions. His work for RMF has taken him to areas of the United States with some of the most stringent NOx-emissions regulations. He has a degree in mechanical engineering from the University of Delaware. He can be reached at [email protected].
Did you find this article useful? Send comments and suggestions to Executive Editor Scott Arnold at [email protected].


